目前,大部分汽车都使用上增压系统,似乎增压系统能够帮助我们在有限的排量下获取更加多的动力输出,可谓是“吃得少,干得多”,排量还小,在中国按照排量来缴纳车船税、购置税等各种税费,而小排量发动机在这方面有天然优势。

但你真的懂增压系统吗?你知道为什么很长一段时间汽车都不用增压系统吗?增压系统真的是输出大、油耗低吗?涡轮迟滞怎么解决?针对一系列增压系统的问题,教授分享一下经验。
增压系统一定省油吗?
很多情况下我们购买了一辆涡轮增压发动机的车辆,销售会跟我们说这辆车虽然排量不大,却能达到当初V6发动机的输出,但当你实际开的时候,你就会发现真实油耗会比标称的油耗更高。
小排量发动机相比起大排量发动机有几个明显优点,其一发动机的体积更小,重量更轻,运动部件更少,摩擦损失更少,泵气损失也会更少,所以根据具体的驾驶工况,小排量涡轮增压发动机是可以有比较好的燃油经济性的。
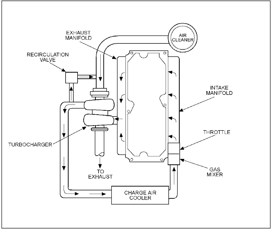
但是!当你开始需要动力时,情况就变得不一样了,根据涡轮增压结构图,假如发动机目前内部拥有一个大气压,也就是14.7psi,有了涡轮增压器以后,可以额外提供7.5psi,所以发动机内部多了大概50%的氧气,这样就能喷入更多的燃油,也就是说有更多的燃油参与到燃烧中去,理想情况下大概能多50%的动力。所以涡轮增压核心想法就是用比较小的排量获得比较大的动力输出,但是!它只能要动力或者经济性,两者是不可能同时兼得的,想要兼顾,留意教授下半部分文章。

涡轮增压发动机面临的其中一个问题是爆震,所以主机厂其中一个最重要的核心就是避免爆震。什么是爆震?当活塞上行,将油气混合物压缩到气缸顶部时,此时火花塞点火,将油气混合物点燃,由于涡轮增压发动机缸内的压力和温度较高,某个部分的混合器温度足够高,就会自己点燃,于是就会有两个点燃点,火焰就会彼此相撞,如果爆震比较强烈,在某些情况下是会损伤发动机的。
怎样预防爆震?
首先可以延后点火正时,延后点火正时后,发动机的效率就会降低,同时也无法输出高功率,所以一般不会采取这种办法。此外,可以降低压缩比,但这样做同样会降低输出功率,降低效率。当然,如果有仔细观察过涡轮发动机,你会发现涡轮发动机的压缩比通常都是比较低的。

使用小排量涡轮增压发动机没有那么省油的真正原因是因为高负载时要降低空燃比。当你踩下地板油的时候,发动机要避免缸内温度过高,实现这个目的的一个方法就是使用比较浓的混合气,理想情况下的空燃比的14.7:1,在这个空燃比下,燃油和空气就能完全燃烧;当发动机在大油门,高增压值时,空燃比会从14.7:1降低到11:1或者12:1使得气缸温度降低,这样做以后,就可以避免爆震,同时输出更高的功率。但缺点在于喷射了更多的燃油会使发动机的燃油经济性降低。
所以,小排量发动机在低转速低负载的时候是可以达到不错的燃油经济性的,但是到了高转速,高负载时,需要通过喷入更多的燃油去降低气缸温度,避免爆震,进而导致发动机的燃油经济性下降。
怎样减少涡轮迟滞?
保时捷(动态增压系统)
假设车辆在赛道上准备转弯,首先是全油门状态,进弯之前开始刹车,然后通过了弯心后开始踩油门并加速出弯。在此过程中,全油门状态下,节气门全开,发动机喷入大量的燃油,涡轮完全超压,输出非常高。

随后准备进弯,松开油门时就是这套系统发挥作用的时候,这个系统会在运动模式下起效果,也取决于车辆驾驶员的驾驶风格,当你处于这个模式下松开油门,大部分的发动机会做两件事:首先,会完全关闭节气门(因为松开了油门),并停止喷油,这是一般发动机会做的事情。

但是保时捷不一样,它不关闭节气门,但停止喷油;这样做的有两个主要原因,其一,如果不关闭节气门,就会有很多空气进入到发动机内,因为这个,涡轮失去增压值的速度就会比关闭节气门的发动机慢,即继续保持有一定的空气通过发动机而进入到废弃涡轮侧,继续推动废气涡轮邦驰比较高的增压值;其二,当你重新踩下油门,由于此时进气歧管内已经有一个大气压的空气,就想自然吸气发动机一样的瞬间全油门,会加快发动机的油门响应,因为此时不需要等进气管路重新填充空气,此时只是在等增压值恢复。
所以这一套系统的解决方案非常简单,仅仅是在你抬起油门的时候保持节气门开度,通过简单有效的手段降低了涡轮迟滞。
中冷器

既然说到了涡轮,顺带科普一下中冷器。目前市面上看到的涡轮增压车辆都会有中冷器,其中根据工作的方式可以分为水冷式和风冷式两种。风冷式中冷主要依靠撞风来达到冷却效果,气流经过中冷器表面,与中冷器内部热空气进行热交换,带走中冷器中的热量,进而冷却空气。

水冷式要复杂一些,同样是从涡轮得到压缩空气后,直接进入到水冷式中冷器,而有些水冷式中冷器是布置在进气歧管内部的(也不排除有的水冷式中冷在进气歧管外,需要看具体车型的布局),同时有另外一套冷却系统来冷却这个水冷式中冷器,所以会有冷却液流经中冷器,中冷器中会有很多通道让冷却液经过,并且可以让空气流过,经过中冷器的冷却液会被送到车头前方的一个热交换器,经过热交换器冷却后,又流回水冷中冷器中,空气流经中冷器的时候,就会被冷却液冷却。

上图非B58发动机示意图
当然,进气歧管内部是有分开的腔室,所以冷热空气不会互相混合,随后,空气进入燃烧室燃烧,随后排出。例如宝马的B58发动机就是使用内置式水冷中冷器,这样做的原因是为了减少从涡轮机到进气气门之间的距离,达到更好的动力响应;此外,使用水冷式中冷可以让布置的位置变得更加方便,这也是水冷式中冷器的一个优点。而风冷式中冷器则是空气先从车头吸入,然后流经涡轮,再把空气重新送到车头的中冷器中,然后才进入进气歧管,相比之下水冷式中冷的进气管路要更短,动力响应也会更好,涡轮迟滞现象也会降低。
那么风冷式中冷器就没有优点了吗?其实不然,风冷式中冷器的优势在于结构简单,不用担心冷却液泄漏,而且没有额外的热交换器、水泵、水管等部件,重量上也有一定的优势,所以在绝对的可靠性上,风冷式中冷器比水冷式中冷器更好。
机械增压器
机械式增压器相比起涡轮式增压器最明显的区别在于机械式增压器不需要等待压缩机起压,直接通过发动机处取得动力去驱动增压器,这样做最大的好处在于没有所谓的涡轮迟滞现象,发动机输出的动力表现更加线性,但由于发动机的转速是有限的,自然是不能达到涡轮那种动辄上万转的输出,所以机械增压器对于发动机功率的提升不如涡轮增压器。
罗茨式机械增压器
1920年代开发的布加迪Type 35是最早使用罗茨式机械增压器的车型,该增压器的核心是转子,转子上有三个凸起,并且互不接触,通过一对齿轮驱动,通过转子的旋转,在进气口处吸入空气,从而“挤”到出气口,来达到增加空气密度的目的。通常在汽车上使用的罗茨式增压器的转子凸起是有扭转的,这样能减少运转时的震动和噪音。

在运转时,假如转子发生相互接触,因为转子间的相互接触会导致发热,进而让增压器失效,所以两个转子之间是没有相互接触的,只留有细微的间隙。空气经过空滤进入到进气管道,随后进入转子,然后经过转子压缩的空气输送到中冷器,随后进入发动机燃烧。

该中冷器是水冷式中冷器,从上文可知,水冷式中冷器有冷却液经过,所以可以将空气的热量转移到冷却液中,进而冷却空气,增加单位体积的空气密度,达到更多氧气进入气缸参与燃烧,增加发动机输出的目的。
离心式机械增压器
离心式增压器通常应用在摩托车上,例如川崎著名的H2,也有一定的汽车会使用这种增压器。离心式增压器更像是涡轮增压器,只不过它同样是由发动机皮带轮带动。


增压器有一个压气叶轮,当叶轮开始旋转时,就想一个反向的风扇,把管路中的空气吸入,空气被快速吸入离心式增压器,在出口处排出,随后进入到中冷器中冷却,再进入发动机燃烧。离心式增压器可以用V型皮带或者齿皮带带动,用一套行星齿轮组来让叶轮达到十万转,中间的太阳轮连接着增压器的叶轮,外齿环连接这一个齿轮,而这个齿轮被另外一个大齿轮用皮带驱动,而大齿轮是由发动机曲轴直接驱动,这样一来就实现了增压的效果。
说到底,增压系统有利有弊,随着环保法规的严格,不得不使用小排量发动机来降低税费,但是人们又希望拥有出色的动力表现,所以增压系统应运而生,但增压系统并不是一劳永逸,在高负载高转速区间,其燃油经济性是不会像低负载低转速般优秀的。此外,增压发动机相比起普通发动机需要更多的部件,这些部件大多数使用橡胶材质,同时增压系统又是一个大热源,加速机舱内部部件的老化,所以,增压发动机有利有弊。
京公网安备11010202008536号